
電機型號 | L(mm) |
260ST-J17A25B-EX-380V | 720 |


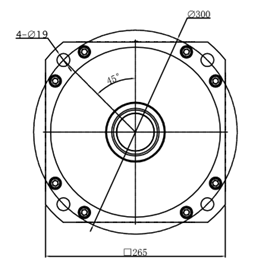
電機型號 | 260ST-J17A25B-EX-380V |
額定功率(KW) | 45 |
額定電流(A) | 105 |
額定轉速(rpm) | 2500 |
額定電壓(V) | 380±5% AC |
額定負載(Nm) | 172 |
最大負載(Nm) | 344 |
絕緣等級 | F 155℃ |
防護等級 | IP65 |
編碼器 | 絕對值編碼器 |
工作環境溫度 | -40~+50℃ |
工作環境濕度 | <90%無結露 |
服務熱線
微信掃一掃